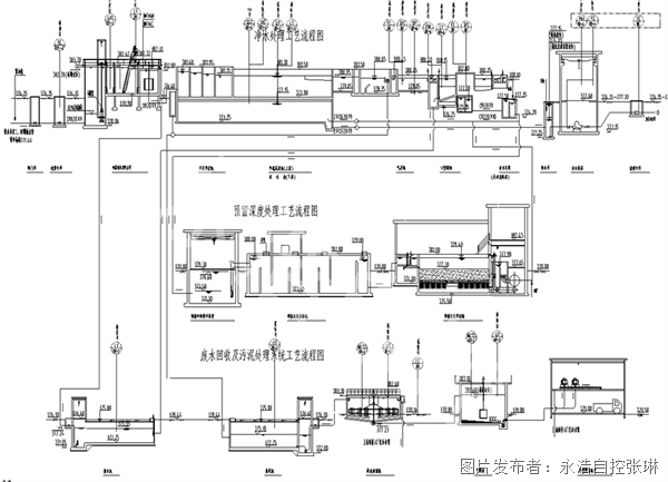
我公司承接该项目的自控工程。工程内容主要由以下三部分所组成:信息层——中央控制管理系统,控制层
根据工艺技术要求厂配备检测仪表,实时在线检测各项工艺参数。仪表的输出信号传送至各区域的可编程序控制器,利用计算机测控管理系统对其做处理、显示、存储和打印。仪表本着节省、简单,实用,可靠性高的原则进行配置。
中央监控系统由中央监控计算机、服务器、工业网络交换机、报表及报警打印机、大型
通过中央控制室的计算机显示屏分屏显示自来水厂的整个工艺流程和厂外原水投加间、应急加药间以及引提水项目闸门控制管理系统。并在相应位置显示检测工艺参数的实计值和设备正常运行状态。
站均采用光纤环网连接至中央控制室,保证了水厂运行可靠性。各分站负责各区域内工艺参数的采集、设备配套相应仪表的参数采集、过程控制等任务的完成。
控制管理系统的控制功能是控制系统的最基本功能,它包括通过人机界面实现的手动控制和自动控制两个部分:
在手动状态下操作员可以在输入密码获得授权后通过中央控制室操作员站对全厂所有电气驱动的工艺设备做手动控制和调节,还能够最终靠各现场站的人机界面对该PLC站所在区域所有电气驱动的工艺设备做手动控制和调节。
自动控制是计算机控制管理系统根据事先编制的程序通过采集的数据分析,自动作出反应,对工艺设备作出相应的控制。该自控项目基本涵盖全部工艺过程,争取实现全厂的无人操作。
3 # PLC站负责送水泵房及配电间污泥、脱水间,污泥脱水间、浓缩池、清水叠合池。



深圳市南山区西丽街道阳光工业区沙坑上段莱玮斯工业厂房2楼201室

